欧盟认证快讯:徐州科利达电控科技有限公司获得欧盟强制CE认证证书;徐州科利达电控科技有限公司生产的料流检测器、双极跑偏开关、双向拉绳开关、撕裂检测器、速度检测器等通过欧盟认证BST公告机构的CE认证安全评估,产品各项指标符合欧盟强制认证法规要求并取得CE认证证书。在此表示祝贺。登陆欧盟市场满足欧盟法规要求,CEEU做您全球战略布局基??;



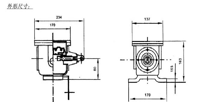
DB-100撕裂开关
在皮带出现由于撕裂、戳穿、交界处损坏或锐利物凸出皮带时,撕裂开关能给监视人员提供报警信号或关掉输送机。
撕裂开关成对安装在皮带两侧,由两段乙烯外套的航空钢丝绳连接起来。绳的一端永久固定在支撑托架上,另一端连接在撕裂开关的拉环上。两段线绳在皮带下面行程里一个闭合的回路,当物体或撕裂的皮带悬吊下来、扫落一条或两条线绳时,即探测出故障。因为线绳的受力作用下,它把拉环轴向外拉出却使自销手柄向上弹起,此时机内两个微动快关发出报警或关掉输送机。故障排除后将自销手柄往下按,是机内的凸轮轴复位待开机。


二、特点
?结构简单、牢固,不需维护。
?带防腐层的铸铝外壳。
?重载微型开关触点。
?作用力只需0.9kg即可触发开关。
三、技术参数
?-B型,2个进口欧姆龙微动开关,
?壳体防尘、防雨、适合室内外安装;
?一???、一常闭、配用四芯电缆、长1.5m,线色红兰为常开、黑白为常闭;
?开关额定值为20A、125,250V或480VAC。
?开关可根据需要接成常开或常闭形式。
四、安装与调试
?撕裂开关设置在受料段胶带下缓冲托辊之间。
?按上安装支架和撕裂开关,撕裂开关的拉环要与胶带边缘同高,若高度不够可在支架下加上垫铁或槽钢,测好高度后再把支架与支座焊牢。
?挂上拦索:一端穿过撕裂开关的拉环用索扣扣死,另一端穿过对方撕裂开关支架中间的圆孔待用。
?安装好二只撕裂开关和挂两条缆索。再加30度弯角处把两条拦索扣在一起,但不能扣死要活动。
?收紧双方支架中间孔内的拦索然后扣死索扣。
?拦索的松紧:一般作用在0.9kg即可触发开关为宜。
?胶带在荷载下沉时要与缆绳保持5mm-10mm即可。
